锂电池二次保护
锂电池热失控
电动工具
新能源
光伏发电系统
风力发电(兆瓦级)
储能电池、电源输入
储能系统短路
EV电动车
EV充电桩
轻型电动车
家用电器
小家电
大家电
家电配件
厨房电器(电烤盘..)
空气炸锅
咖啡机
电熨斗
智能坐便器
个人数字产品
生活(美健)电器
办公器材
对讲机
医疗分析仪器
医疗辅助设施
医疗仪器
照明
照明-室内
户外路灯
电源
电源(功率小于20瓦)
数据中心高压直流(HVDC)
电源供应单元(PSU)
电池备份单元(BBU)
不间断电源(UPS)
通信
汽车
插座
防雷插座
安防
无人机(系留)
工业机器人
人形机器人
服务机器人
特种机器人
农业浇灌设备
农业智慧大棚
轨道交通设施
轨道车辆
轨道电源
燃油加油机
交通控制系统
交通信号灯
商用洗净设备
快递柜(无人机)
自动售货机
防雷元器件适用于电源 & 信号电涌保护器(SPD)用防雷元器件
迄今尚无设备和方法能够改变自然界的天气现象,以阻止雷电的发生。雷电击中建筑物和建筑物附近对人、建筑物本身、内部物体、设备以及线路都是危险的,因此应考虑采取雷电防护措施。
根据标准GB/T21714/ IEC62305要求,赛尔特提供减少电气和电子系统失效的电涌保护器的过电压保护、过电流保护及过温保护元件和器件的解决方案和产品。产品符合IEC61643系列、UL1449、GB/T18802系列标准要求,通过TUV、UL、CUL、CQC质量认证,符合RoHS、REACH要求,从产品设计、制造、销售到专业的客户服务支持,提供一站式服务,欢迎选购。
电源 & 信号电涌保护器(SPD)用防雷元器件_赛尔特解决方案产品(11类126个系列)
电源 & 信号电涌保护器(SPD)用防雷元器件_赛尔特解决方案产品.pdf
更新:2025年11月6日



T1防雷元器件赛尔特解决方案产品
压敏电阻(MOV) & 芯片(MOV Disk)- T1防雷型
方形:YMJ34S T系列 进一步了解
长方形:YMJ33R T系列 进一步了解
长方形:YMJ36R T系列 进一步了解
长方形:YMJ40R T系列 进一步了解
气体放电管(GDT) - 高通流型
圆形:SPO系列 更新中
圆形:SPP系列 进一步了解
热保护型压敏电阻(TFV, TFMOV) - 机械脱扣型
方形、插件型:TFMOV25M系列 进一步了解
电涌保护器(SPD) - 低压电源系统用
导轨SPD:SD25B系列 进一步了解
低压熔断器(LV Fuses) - 防雷器用
圆形管:LFS14系列 进一步了解

T2防雷元器件赛尔特解决方案产品
压敏电阻(MOV) & 芯片(MOV Disk) - T2防雷型
圆形:YMJ25D系列 进一步了解
方形:YMJ25S系列 进一步了解
方形:YMJ34S系列 进一步了解
方形:YMJ37S系列 进一步了解
方形:YMJ40S系列 进一步了解
圆形:YMJ53D系列 进一步了解
气体放电管(GDT) - 高通流型
圆柱形:SPA系列 进一步了解
圆柱形:SPB系列 进一步了解
圆柱形:SPC系列 进一步了解
圆柱形:SPH系列 进一步了解
圆柱形:SPI系列 进一步了解
圆柱形:SPJ系列 进一步了解
圆柱形:SPK系列 进一步了解
圆柱形:SPS系列 进一步了解
圆柱形:SPR系列 进一步了解
圆柱形:SPV系列 进一步了解
圆柱形:SPZ系列 更新中
圆柱形:SPX系列 更新中
瞬态电压抑制二极管(TVS) - 标准型
方形、插件型:SPCL20系列 进一步了解
热保护型压敏电阻(TFV, TFMOV) - 熔断合金型
方形、插件型:TFMOV15S系列 进一步了解
方形、插件型:TFMOV20S系列 进一步了解
方形、插件型:TFMOV25S系列 进一步了解
方形、插件型:TFMOV34S系列 进一步了解
方形、插件型:TFMOV20SxxxL系列 进一步了解
方形、插件型:TFMOV25SxxxL系列 进一步了解
方形、插件型:TFMOV34SxxxL系列 进一步了解
方形、插件型:TFMOV21R2P系列 进一步了解
方形、插件型:TFMOV21R3P系列 进一步了解
径向、插件型:TFMOV25D系列 进一步了解
方形、插件型:TFMOV20K系列 进一步了解
方形、插件型:TFMOV40K系列 进一步了解
热保护型压敏电阻(TFV, TFMOV) - 机械脱扣型
方形、插件型:TFMOV05M系列 进一步了解
方形、插件型:TFMOV10M系列 进一步了解
方形、插件型:TFMOV20M系列 进一步了解
低压熔断器(LV Fuses) - 防雷器用
圆形管:LFS14系列 进一步了解
温度保险丝(ATCO) - 合金型
径向、插件型:P系列 进一步了解
径向、插件型:Q系列 进一步了解

T3防雷元器件赛尔特解决方案产品
压敏电阻(MOV) - 标准型
圆形、插件型:SFV14D系列 进一步了解
圆形、插件型:SFV20D系列 进一步了解
圆形、插件型:SFV25D系列 进一步了解
圆形、插件型:SFV53D系列 进一步了解
圆形、插件型:SFV14D T系列 进一步了解
圆形、插件型:SFV20D T系列 进一步了解
圆形、插件型:SFV25D T系列 进一步了解
热保护型压敏电阻(TFV, TFMOV) - 环氧包封型
方形、插件型:TFV10S系列 进一步了解
方形、插件型:TFV15S系列 进一步了解
气体放电管(GDT) - 插件型(DIP)
圆形、插件型:SD系列 进一步了解
圆形、插件型:SF系列 进一步了解
圆形、插件型:SE系列 进一步了解
圆形、插件型:TZ系列 进一步了解
圆形、插件型:TR系列 进一步了解
圆柱形、贴片型:SC系列 进一步了解
方柱形、贴片型:SN系列 进一步了解
圆柱形、贴片型:SK系列 进一步了解
瞬态电压抑制二极管(TVS) - 标准型
方形、贴片型:SPC6系列 进一步了解
方形、贴片型:SPC10系列 进一步了解
方形、插件型:SPCL3系列 进一步了解
方形、插件型:SPCL6系列 进一步了解
方形、贴片型:SPCL10系列 进一步了解
方形、贴片型:SPCL15系列 进一步了解
电涌抑制晶闸管(TSS)
方形、贴片型:SPO080TALC系列 进一步了解
方形、贴片型:SP0080TBLC系列 进一步了解
方形、贴片型:SPxxxSA系列 进一步了解
方形、贴片型:SPxxxSB系列 进一步了解
方形、贴片型:SPxxxSC系列 进一步了解
方形、贴片型:SPxxxSD系列 进一步了解
方形、贴片型:SP0080SDT系列 进一步了解
方形、贴片型:SP0080SDT-3L系列 进一步了解
温度保险丝(ATCO) - 合金型
径向、插件型:P系列 进一步了解
径向、插件型:Q系列 进一步了解
径向、插件型:X系列 进一步了解
径向、插件型:Y系列 进一步了解
径向、插件型:S系列 进一步了解
径向、插件型:T系列 进一步了解
径向、插件型:TM系列 进一步了解

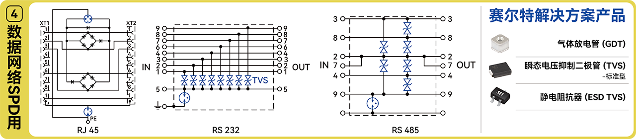
4 数据网络SPD用防雷原件
气体放电管(GDT)
圆形、插件型:SD系列 进一步了解
圆形、插件型:SF系列 进一步了解
圆形、插件型:SE系列 进一步了解
圆形、插件型:TZ系列 进一步了解
圆形、插件型:TR系列 进一步了解
方柱形、贴片型:SN系列 进一步了解
圆柱形、贴片型:SK系列 进一步了解
方形、贴片型:SZ系列 进一步了解
方形、贴片型:SW系列 进一步了解
方形、贴片型:SX系列 进一步了解
方形、贴片型:SY系列 进一步了解
方柱形、贴片型:SU系列 进一步了解
方柱形、贴片型:SS系列 进一步了解
圆柱形、插件型:TB系列 进一步了解
瞬态电压抑制二极管(TVS) - 标准型
方形、贴片型:SMF系列 进一步了解
方形、贴片型:P4SMF系列 进一步了解
方形、插件型:SMAJ系列 进一步了解
方形、插件型:SMA6J系列 进一步了解
方形、贴片型:SACB系列 进一步了解
方形、贴片型:SMBJ系列 进一步了解
方形、贴片型:P6SMB系列 进一步了解
方形、贴片型:SMCJ系列 进一步了解
方形、贴片型:1.5SMCJ系列 进一步了解
方形、贴片型:3.0SMCJ系列 进一步了解
方形、贴片型:SMDJ系列 进一步了解
静电阻抗器(ESD TVS)
方形、贴片型:SD0508T26U1系列 进一步了解
方形、贴片型:SDxxxxD32U系列 进一步了解
方形、贴片型:SDxxxxT23G1系列 进一步了解
方形、贴片型:SD71217T23G系列 进一步了解

5 电信信号SPD用防雷原件
气体放电管(GDT)
圆形、插件型:SD系列 进一步了解
圆形、插件型:SF系列 进一步了解
圆形、插件型:SE系列 进一步了解
圆形、插件型:TZ系列 进一步了解
圆形、插件型:TR系列 进一步了解
方柱形、贴片型:SN系列 进一步了解
圆柱形、贴片型:SK系列 进一步了解
方形、贴片型:SZ系列 进一步了解
方形、贴片型:SW系列 进一步了解
方形、贴片型:SX系列 进一步了解
方形、贴片型:SY系列 进一步了解
方柱形、贴片型:SU系列 进一步了解
方柱形、贴片型:SS系列 进一步了解
圆柱形、插件型:TB系列 进一步了解
瞬态电压抑制二极管(TVS) - 标准型
方形、插件型:SPCL3系列 进一步了解
方形、插件型:SPCL6系列 进一步了解
方形、插件型:P4KE系列 进一步了解
方形、插件型:SAC系列 进一步了解
方形、插件型:P6KE系列 进一步了解
方形、插件型:1.5KE系列 进一步了解
方形、插件型:LCE系列 进一步了解
方形、插件型:15KPA系列 进一步了解
方形、插件型:20KPA系列 进一步了解
方形、插件型:30KPA系列 进一步了解
方形、贴片型:SPC1系列 进一步了解

6 射频同轴SPD用防雷原件
气体放电管(GDT) - 插件型(DIP)
圆形、插件型:SD系列 进一步了解
圆形、插件型:SF系列 进一步了解
圆形、插件型:SE系列 进一步了解
电涌抑制晶闸管(TSS)
方形、贴片型:SPxxxSA系列 进一步了解
方形、贴片型:SPxxxSB系列 进一步了解
方形、贴片型:SPxxxSC系列 进一步了解
方形、贴片型:SPxxxSD系列 进一步了解
携手赛尔特(SETsafe | SETfuse),化技术挑战为可靠方案。
当您在电路保护元器件选型或系统方案设计中面临技术挑战,赛尔特(SETsafe | SETfuse)专业工程师团队始终是您可靠的技术伙伴。赛尔特(SETsafe | SETfuse)专注于过温度、过电压、过电流与主动保护领域,具备全面的技术支援能力,可迅速响应您的需求。无论是需要精准的产品参数指导,还是希望构建系统级保护方案,赛尔特(SETsafe | SETfuse)均能提供专业、务实且高效的建议与支持。
从前期设计咨询、中期方案实施到后期产品保障,我们全程协同,为您提供一站式服务,确保项目高效推进与安心落地。如您有任何需求或疑问,敬请邮件联系:sales@SETfuse.com
专业电路保护,为您提供从概念到量产的全周期支持。
相关产品